Product Catalog
Catalog Tools
Measurement
Inch
Material
Steel
Products
Exclusive Products New Products Quick Ship Products
Remove All Filters

Language
Convert Units of Measure =

Reducers

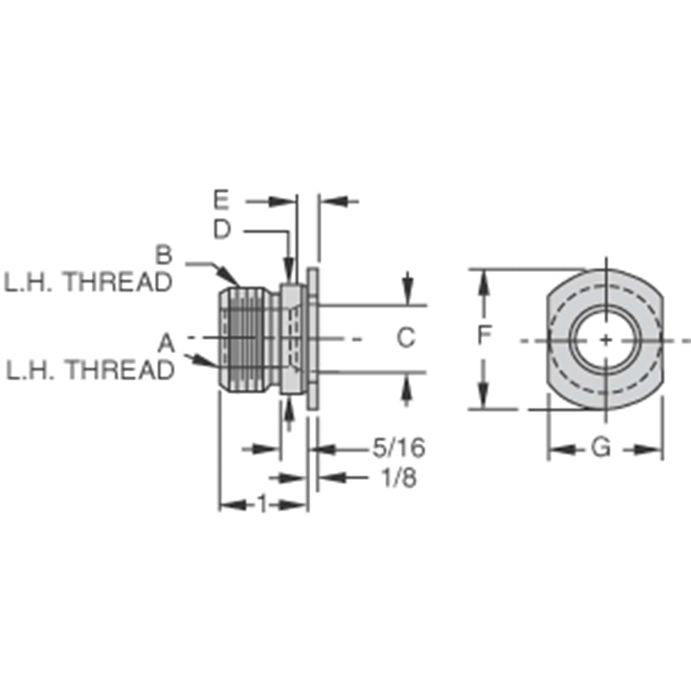
Drill Bushings

Standard Type
QUANTITY PART NO. A
INTERNAL
THREAD
B
EXTERNAL
THREAD
C
DIA
D
DIA
E F
DIA
G
17952 3/4-16 1"-14 .8125 1.0610 / 1.0604 9/32 1-3/8 1-1/16
25018 3/4-16 1-1/4"-12 .8125 1.3110 / 1.3104 9/32 1-5/8 1-5/16
25582 3/4-16 1-1/2"-12 .8125 1.5610 / 1.5604 9/32 1-15/16 1-9/16
25583 1"-14 1-1/4"-12 1.0625 1.3110 / 1.3104 11/32 1-5/8 1-5/16
20132 1"-14 1-1/2"-12 1.0625 1.5610 / 1.5604 11/32 1-15/16 1-9/16
20017 1-1/4"-12 1-1/2"-12 1.3125 1.5610 / 1.5604 11/32 1-15/16 1-9/16
27910 1-1/2"-12 2"-16 1.5625 2.0610 / 2.0604 11/32 2-1/2 2-1/16
Coolant Type
QUANTITY PART NO. A
INTERNAL
THREAD
B
EXTERNAL
THREAD
C
DIA
D
DIA
E F
DIA
G
A-17952 3/4-16 1"-14 .8125 1.0610 / 1.0604 9/32 1-3/8 -
A-25018 3/4-16 1-1/4"-12 .8125 1.3110 / 1.3104 9/32 1-5/8 -
A-25582 3/4-16 1-1/2"-12 .8125 1.5610 / 1.5604 9/32 1-15/16 -
A-25583 1"-14 1-1/4"-12 1.0625 1.3110 / 1.3104 11/32 1-5/8 -
A-20132 1"-14 1-1/2"-12 1.0625 1.5610 / 1.5604 11/32 1-15/16 -
A-20017 1-1/4"-12 1-1/2"-12 1.3125 1.5610 / 1.5604 11/32 1-15/16 -
A-27910 1-1/2"-12 2"-16 1.5625 2.0610 / 2.0604 11/32 2-1/2 -