314-647-6200
[email protected]
Download Catalog Request A Catalog Find A CAD Model Part Configurator Part Converter
Download Catalog Request A Catalog Find A CAD Model Part Configurator Carr Lane Academy Part Converter
Power Workholding
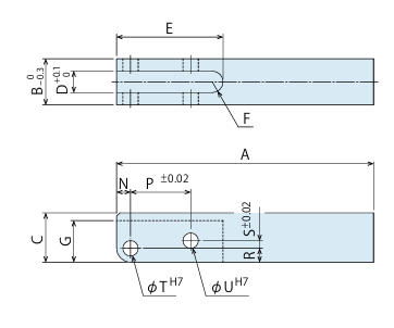
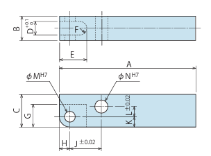
Link Clamp Arms-Hydraulic Blank Arms
Link Clamp Arms-Pneumatic Blank Arms
Thank You! Your Customer Portal Account has been created.Please check your email for a link to verify your account.
Thank You for requesting a Distributor Portal Account! We are reviewing your request and will be in touch by email with your log in credentials.
What is This? Save to My ProjectBuild & Manage Projects On-Site.Your Parts Your Way!Click the Save to My Project button to build a saved search history that you can use to build a project or parts list. You can even email your saved projects to coworkers. View all of your saved projects as well as your order history in the Customer Portal. To take advantage of these features, just create a customer account!
Your Personal Data will Never be Sold or Shared with Anyone.No one wants an inbox flooded with useless messages. It is our intent that any communication with you will be purposeful and useful. We will use the information you share with us to communicate to you in regards to your personal activity on the site. This includes shipping notifications, project reminders and the like. If you opt out of receiving email updates about Carr Lane Manufacturing we will only communicate with you in regards to your activity on the site, with the exception of survey(s) sent to all of our customers.View our Full Privacy Statement
Enter the quantity amount that will be needed for this Part. Then click Next to start configuring the Part.
Thank you! Your feedback has been submitted.
Contact Us for more help options.
Thank you for visiting our site. Your location indicates you are in India. Please login to the Carr Lane India Portal below or request an account for access to see Chennai stock and Rupee pricing.