Product Catalog
Catalog Tools
Products
Exclusive Products New Products Quick Ship Products
Remove All Filters

Language
Convert Units of Measure =

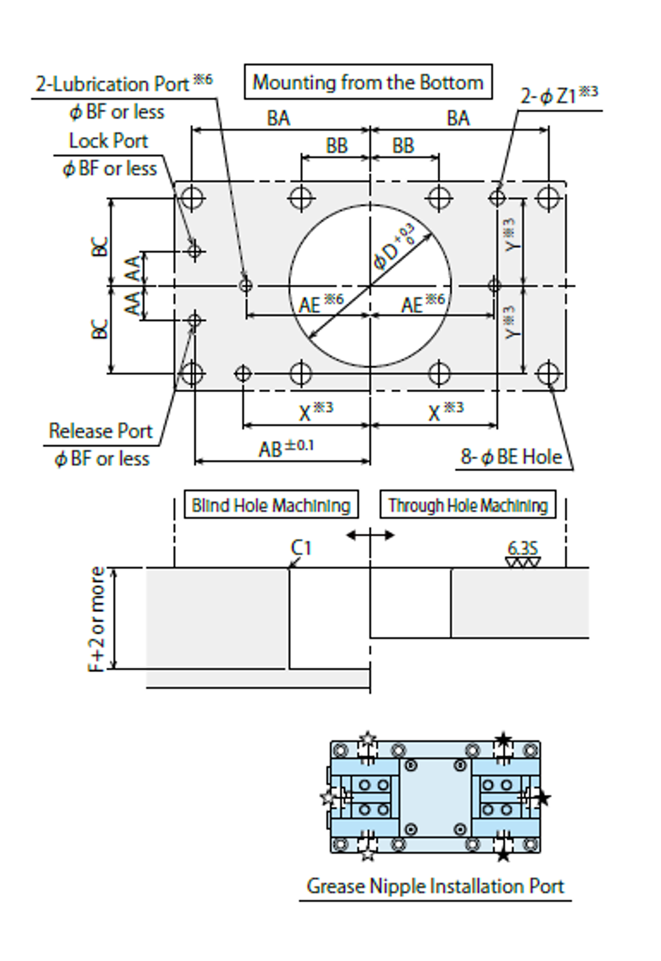
Concentric Vise

Power Workholding

QUANTITY PART NO. Max
Pressure
(Bar)
Max
Clamping
Force
(Kn)
Stroke
(One Side)
A B C D L1 L2 X
FVD1600 70 33.72 6 90 170 67 70 60 47 55
FVD2500 70 52.16 8 100 206 82 85 74 57 68
FVD5000 70 83.81 8 118 240 89 110 90 64 75